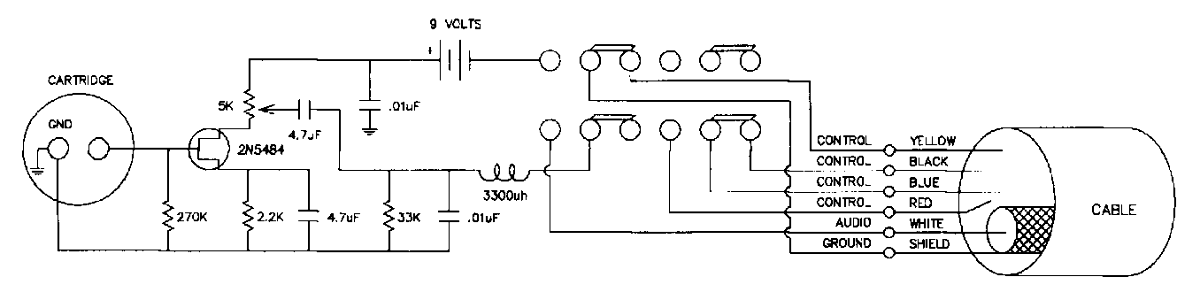
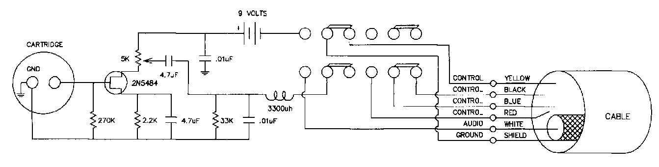
The ASTATIC
D104-M6 "power" microphone sometimes comes with a bit of a
"click" feeling when you push button all the way in. This can be
fixed by carving the area shown below with an exacto blade or
similar razor. The side and bottom are both carved using the blade and
"shaving" a little at a time.
 |
 |
| Before |
After |
There has been a lot of people who break the volume
adjustment knob shaft running to the control inside. After you
replace the battery, when you place the mic together, look
carefully at how the case wants to squeeze the knob, move it
down slightly with your finger tip while closing so that it
doesn't put pressure on the shaft and break it free of the
control. It will then have a broken snap and never go back in.

This microphones PTT switch is unusually susceptible to
damage when dropping the mic on the PTT button. It will
develop a scratchy sound that cleaning only cures for a day or
less. After this happens a new switch will be required.
This is very difficult and will require technical assistance.
Bells CB will replace the switch for $15 parts and labor.
|